CH-SJTT輪輻式測力傳感器
編號:10392
查看:
發布:2022-05-20
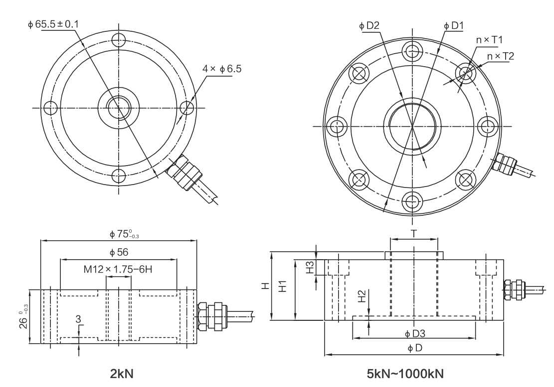
CH-SJTT輪輻式測力傳感器采用優質不銹鋼材質或優質鋁合金材質(200kg),具有高精度,高穩定性,低外形,安裝簡便、快速等特點。適用于試驗機,可做拉壓雙向使用。
編號:10392
查看:
發布:2022-05-20
CH-SJTT輪輻式測力傳感器采用優質不銹鋼材質或優質鋁合金材質(200kg),具有高精度,高穩定性,低外形,安裝簡便、快速等特點。適用于試驗機,可做拉壓雙向使用。
產品名稱:CH-SJTT輪輻式測力傳感器
產品特點:CH-SJTT輪輻式測力傳感器采用優質不銹鋼材質或優質鋁合金材質(200kg),具有高精度,高穩定性,低外形,安裝簡便、快速等特點。適用于試驗機,可做拉壓雙向使用。
量程:2kN(200kg)、5kN(500kg)、10 kN(1t)、15 kN(1.5t)、20 kN(2t)、25 kN(2.5t)、30 kN(3t)、50 kN(5t)、100 kN(10t)、200 kN(20t)、300 kN(30t)、500kN(50t)、1000kN(100t).
外形尺寸:

技術參數: | ||||||||||||||||||||||||||||||||||||||||
| ||||||||||||||||||||||||||||||||||||||||
| ||||||||||||||||||||||||||||||||||||||||