CH-SAL S型傳感器
編號:10501
查看:
發布:2022-05-20
產品名稱:CH-SALS型傳感器產品特點:CH-SAL采用優質鋁合金材質,具有高精度,高穩定性,低外形,安裝簡便、快速等特點。適用于試驗機、配料秤、攪拌站、皮帶秤和包裝秤等,多做拉力使用,也可壓用。量程:50N
編號:10501
查看:
發布:2022-05-20
產品名稱:CH-SALS型傳感器產品特點:CH-SAL采用優質鋁合金材質,具有高精度,高穩定性,低外形,安裝簡便、快速等特點。適用于試驗機、配料秤、攪拌站、皮帶秤和包裝秤等,多做拉力使用,也可壓用。量程:50N
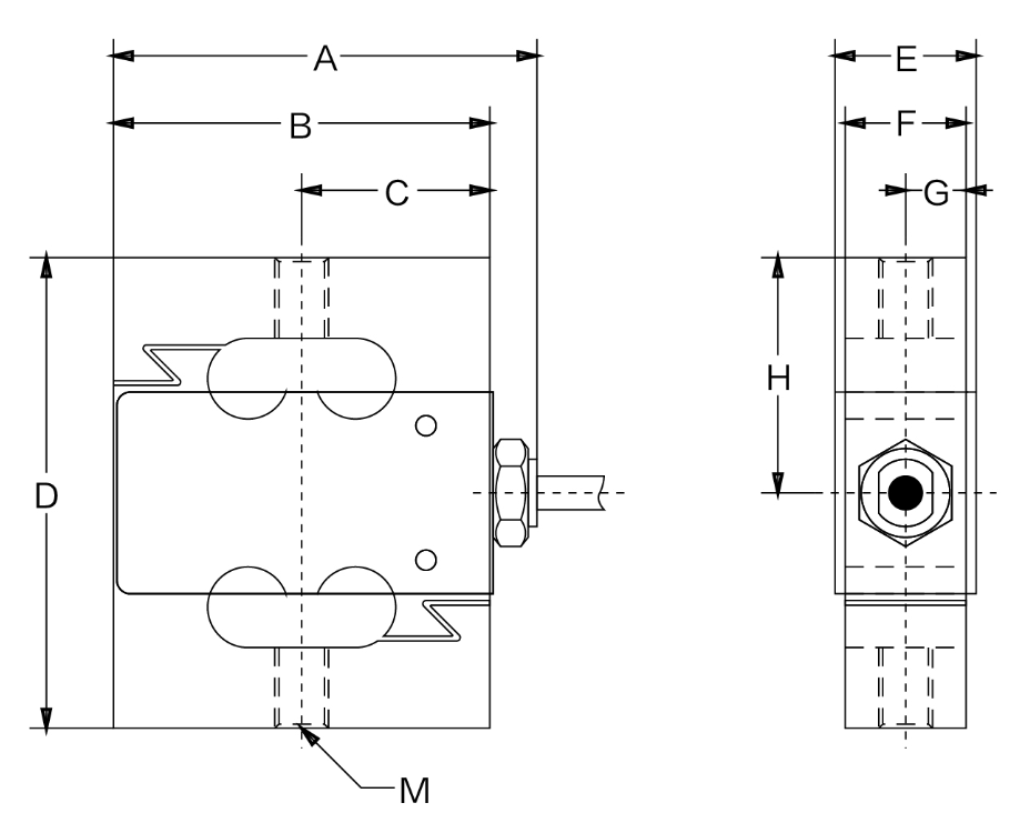
產品名稱:CH-SAL S型傳感器
產品特點:CH-SAL 采用優質鋁合金材質,具有高精度,高穩定性,低外形,安裝簡便、快速等特點。適用于試驗機、配料秤、攪拌站、皮帶秤和包裝秤等,多做拉力使用,也可壓用。
量程:50N(5kg)、100N(10kg)、200N(20kg)、500N(50kg)、1000N(100kg)
外形尺寸:

技術參數:
| ||||||||||||||||||||||||||||||||||||