TQ-1A內螺紋輪輻式測力傳感器
編號:10104
查看:
發布:2025-05-12
TQ-1A內螺紋輪輻式測力傳感器采用優質合金鋼材質,表面鍍鎳防腐處理。具有高精度,高穩定性,低外形,安裝簡便、快速等特點。 TQ-1A內螺紋輪輻式測力傳感器適用于汽車衡、試驗機和大型料斗秤等。
編號:10104
查看:
發布:2025-05-12
TQ-1A內螺紋輪輻式測力傳感器采用優質合金鋼材質,表面鍍鎳防腐處理。具有高精度,高穩定性,低外形,安裝簡便、快速等特點。 TQ-1A內螺紋輪輻式測力傳感器適用于汽車衡、試驗機和大型料斗秤等。
產品特點:TQ-1A內螺紋輪輻式測力傳感器采用優質合金鋼材質,表面鍍鎳防腐處理。具有高精度,高穩定性,低外形,安裝簡便、快速等特點。
產品用途:TQ-1A內螺紋輪輻式測力傳感器適用于汽車衡、試驗機和大型料斗秤等。
量程:5kN(500kg)、10 kN(1t)、20 kN(2t)、30 kN(3t)、50 kN(5t)、100 kN(10t)、200 kN(20t)、250 kN(25t)、300 kN(30t)、500 kN(50t)、600kN(60t)、1000 kN(100t)、1500 kN(150t)、2000 kN(200t)、3000kN(300t)、5000kN(500t)
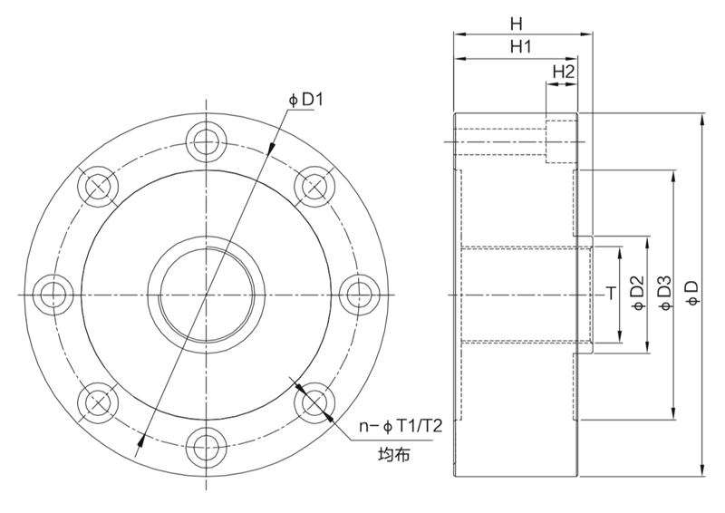
技術參數和外形尺寸:
序號 產品技術參數 1 額定載荷 5kN-5000kN 2 綜合精度 0.05%F.S 3 靈敏度 2.0mV/V±0.25% 4 蠕變 ±0.03%F.S/20min 5 零點輸出 ≤±1%F.S 6 輸入阻抗 387±20Ω/775±20Ω 7 輸出阻抗 350±5Ω/700±5Ω 8 絕緣阻抗 ≥5000MΩ 9 推薦激勵電壓 10V(DC) 10 適用溫度范圍 -20~70℃ 11 安全過載 150%F.S 12 材質 優質合金鋼 13 接線方式 紅……E+(電源正) 黑……E-(電源負) 綠……S+(信號正) 白……S-(信號負)
型號 量程(t) D D1 D2 D3 H H1 T T1 T2 H2 n TQ-1A 0.5-7.5 105 89 32 75 37 34 M16×1.5 7.5 10.5 7.2 8 10-25 120.6 101.8 39 83 48 41 M32×1.5 8.5 14 10.5 8 30 141 116.8 50.4 97 57.2 50.8 M40×1.5 11 18 11 8 50 141 116.8 54.4 93 57.2 50.8 M40×1.5 11 18 11 8 60-100 200 162 76 132 83 70 M60×2 13 20 18 16 150-200 250 210 110 170 100 90 M80×3 17 28 20 16 300 320 270 162 220 100 100 M96×4 17 28 20 16 500 400 343 240 286 125 120 M150×4 32.5 32.5 20 16 TQ-1AT 30 120.6 101.8 43 83 48 41 M32×1.5 8.5 14 10.5 8 60 153 130 70 110 58 51 M40×1.5 10.5 17 16 8 100 200 162 76 132 83 70 M64×3 13 20 18 16 200 296 245 136 -- 105 100 M90x3 22 22 -- 8
圖片與實物略有差異,以實物為準 / 濟南泰欽保留隨時更改、撤消產品型號、規格的權利,恕不另行通知