TQ-1V 膜合式稱重傳感器
編號:10274
查看:
發布:2020-03-11
TQ-1V 膜合式稱重傳感器,采用優質不銹鋼材質,高精度,高穩定性,低外形,安裝簡便、快速,表層鍍鎳防腐處理。 TQ-1V膜合式稱重傳感器適用于各種惡劣環境下的力值的檢測。
編號:10274
查看:
發布:2020-03-11
TQ-1V 膜合式稱重傳感器,采用優質不銹鋼材質,高精度,高穩定性,低外形,安裝簡便、快速,表層鍍鎳防腐處理。 TQ-1V膜合式稱重傳感器適用于各種惡劣環境下的力值的檢測。
產品名稱:TQ-1V 膜合式稱重傳感器
產品特點:TQ-1V 膜合式稱重傳感器,采用優質不銹鋼材質,高精度,高穩定性,低外形,安裝簡便、快速,表層鍍鎳防腐處理。
產品用途:TQ-1V膜合式稱重傳感器適用于各種惡劣環境下的力值的檢測。
量程: 3 kN(300kg)、5 kN(500kg)、10 kN(1t)、20 kN(2t)、50 kN(5t)、100 kN(10t)、200 kN(20t)、300 kN(30t)
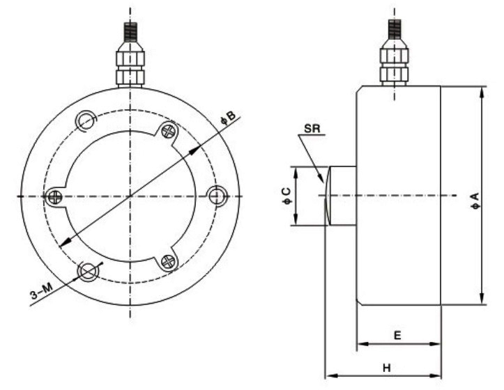
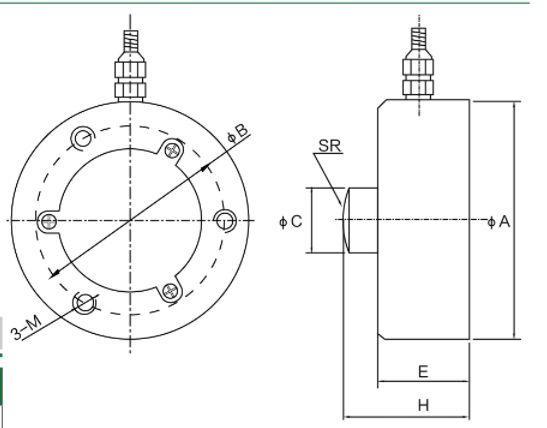
技術參數及外形尺寸:
序號 產品技術參數 1 額定載荷 3-300(kN) 2 綜合精度 0.03-0.5%F.S 靈敏度 2.0mV/V 3 零點平衡 ±0.1%F.S 4 蠕變 ±0.6%F.S 5 滯后 ±0.6%F.S 6 重復性 ±0.6%F.S 7 絕緣阻抗 ≥2000MΩ 8 靈敏度系數溫度影響 ±0.1%F.S/10℃ 9 零點溫度影響 ±0.1%F.S/10℃ 10 推薦激勵電壓 15V-18V(DC) 11 激勵電壓范圍 6-12V(DC) 12 溫度補償范圍 -10~70℃ 13 適用溫度范圍 -30~70℃ 14 安全過載 200%F.S 15 接線方式 紅……E+(輸入正) 黑……E-(輸入負) 綠……S+(輸出正) 白……S-(輸出負)

型號 量程(kN) 量程(t) ΦA BΦ ΦC H E M SR TQ-1V 3-10 0.3-1 78 64 15 40 32 M6 40 20-100 2-10 82 66 22 44 32 M8 50 150-300 15-30 127 90 25 70 62 M10 60
圖片與實物略有差異,以實物為準 / 濟南泰欽保留隨時更改、撤消產品型號、規格的權利,恕不另行通知