產品特點:TQ-1AL內螺紋輪輻式測力傳感器可滿足不同精度要求,同時也可用作各種力量測量。
產品用途:TQ-1AL內螺紋輪輻式測力傳感器適用于各種料倉,自動化稱重和試驗機等力量測量。
量程:0.5kN(50kg)、1kN(100kg)、2kN(200kg)、5kN(500kg)、10kN(1t)、20 kN(2t)、50 kN(5t)、100 kN(10t)、200 kN(20t)、300 kN(30t)、500 kN(50t)、600kN(60t)、1000 kN(100t)、2000 kN(200t)、3000 kN(300t)、5000kN(500t)、10000kN(1000t)
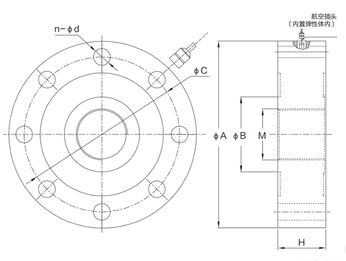
技術參數及外形尺寸:
序號 產品技術參數 1 額定載荷 0.5kN-10000kN 2 綜合精度 0.05%(600-5000kN:0.1%F.S) 3 靈敏度 2.0±0.01mV/V 4 蠕變 ±0.05%F.S/20min 5 零點輸出 ±1%F.S 6 輸入阻抗 387±20Ω 7 輸出阻抗 350±5Ω 8 絕緣阻抗 ≥5000MΩ 9 推薦激勵電壓 5-15V(DC) 10 工作溫度范圍 -20~70℃ 11 安全過載 120%F.S 12 材質 優質合金鋼 13 電纜 10m;20m 14 接線方式 紅……E+(電源正) 黑……E-(電源負) 綠……S+(信號正) 白……S-(信號負)

型號 量程(kN) 量程(t) M A B C H n-фd TQ-1AL 0.5-5 0.05-0.5 M16×1.5 90 25 75 25 4-ф7 10 1 M20×2 112 35 96 30 8-ф9 20 2 M24×2 125 44 105 42 8-ф11 50-100 5-10 M30×2 150 48 122 45 8-ф11 200-300 20-30 M42×3 180 70 142 53 16-ф13.5 500-600 50-60 M64×3 234 97 194 60 16-ф21.5 1000 100 M96×4 320 162 270 100 16-ф26 2000-3000 200-300 M120×4 360 200 310 126 16-ф32.5 5000 500 M200×4 500 310 420 160 28-ф27 TQ-1ALD 10000 1000 M200×6 608 -- 510 161 12-ф58
圖片與實物略有差異,以實物為準 / 濟南泰欽保留隨時更改、撤消產品型號、規格的權利,恕不另行通知